无障碍浏览 长者专版

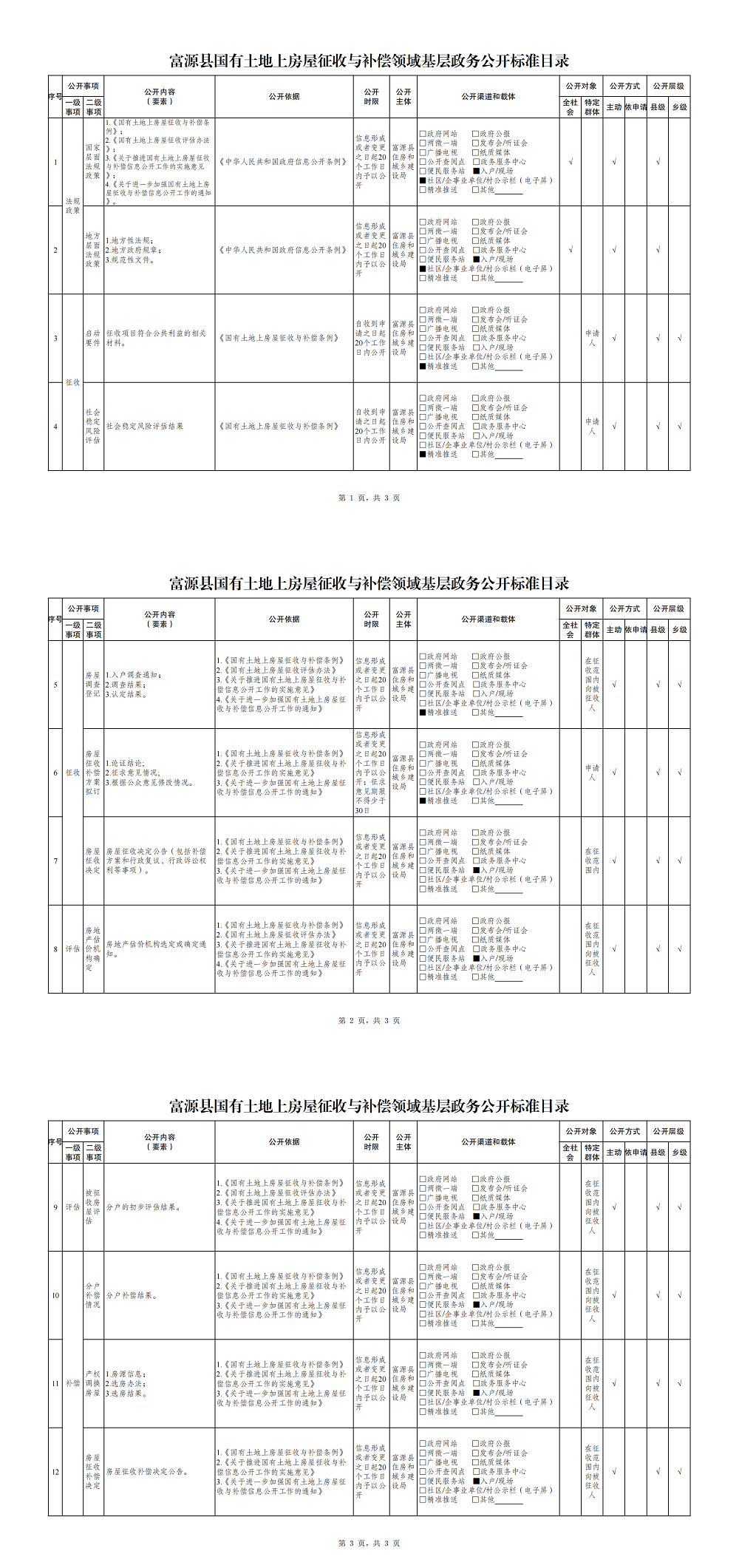
国有土地上房屋征收

  • 富源县人民政府办公室
  • 015158708/2025-08662
  • 2025-05-29 11:13

12.富源县国有土地上房屋征收与补偿领域基层政务公开标准目录.pdf_00.png